Основной функционал

База данных условно-графических обозначений

База данных Model Studio CS Электротехнические схемы встроена в среду проектирования и не требует вызова дополнительных программ. Доступ к базе для пользователя реализован через диалоговое окно с интуитивно понятным интерфейсом. База данных стандартных компонентов обладает достаточно полным набором условно графических обозначений (УГО) соответствующих актуальным ГОСТ для начала работы «с нуля».

Инженер, использующий Model Studio CS Электротехнические схемы, имеет все инструменты, необходимые для работы с базой данных: поиск (простой или с предварительно заданными условиями), работа с предопределенными выборками, классификаторами.

Создание схем


Основой для создания схем в Model Studio CS Электротехнические схемы является база данных элементов УГО. В стандартную поставку программного комплекса уже включены наборы типовых УГО электрических элементов — с перечнем необходимых параметров, доступных для заполнения после размещения на чертеже.

Размещенное на схеме оборудование просто и удобно соединяется электрическими связями (линиями). Программа предлагает следующие способы построения связей:

  • автоматическое построение, посредством указания двух соединяемых узлов с предварительным или последующим занесением марки жилы (в зависимости от настроек пользователя);
  • построение линии вручную, посредством команды «Создать линию» с ручной трассировкой по схеме.
В случае неудачной трассировки, программный комплекс позволяет вручную или автоматически перетрассировать связь.

Работа встроенного спецификатора

Model Studio CS Электротехнические схемы значительно упрощает выпуск готового документа благодаря встроенным инструментам, обеспечивающим автоматическую выгрузку и автоматизирующим оформление необходимой информации занесенной схемы. Встроенный спецификатор позволяет осуществить компоновку по заданной табличной форме любую информацию по разрабатываемому проекту.

Пользователю предоставляется возможность, как использовать преднастроенные профили спецификатора, так и создать свои собственные в соответствии с ГОСТ, внутренними стандартами организации или требованиями нормоконтроля. Новые профили можно сохранить и использовать в будущем при выполнении новых узлов и объектов.

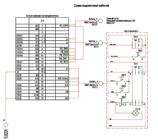
Формирование схем подключения кабелей и схем кабельных связей

Model Studio CS Электротехнические схемы обладает функционалом для формирования таблиц клеммных зажимов и отрисовки схем подключения кабелей.

При прорисовке схем подключений кабелей и схем кабельных связей пользователю доступен тот же функционал, которым он пользуется при исполнении принципиальной схемы.

Таблица к схеме кабельных связей настраивается и автоматически выгружается через встроенный спецификатор. В случае надобности количество столбцов может быть откорректировано.

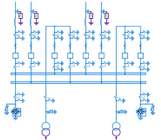
Схемы электрические принципиальные и схемы размещения ИТС

Model Studio CS Электротехнические схемы имеет достаточно полную базу УГО для прорисовки схем электрических принципиальных в соответствии с ГОСТ.

Посредством Model Studio CS Электротехнические схемы возможна отрисовка схемы размещения ИТС. При работе с УГО заполненная информация, к примеру, класс точности трансформаторов, будет указываться на чертеже в специальном поле.

Преимущества продукта

Удобная среда проектирования

Model Studio CS предлагает по-настоящему комфортный рабочий интерфейс, включающий максимально возможное пространство для обзора графики, оптимальное расположение панелей и меню, множество динамических подсказок и прекрасные инструменты проектирования.

База данных оборудования, изделий и материалов

Стандартная библиотека поставляемая в составе дистрибутива включает:
  • оборудование;
  • детали трубопроводов и арматуру;
  • опоры трубопроводов;
  • детали уплотнения (прокладки и т.д.);
  • детали крепления (болты, гайки и т.д.);
  • строительные и металлоконструкции (площадки обслуживания, лестницы, стремянки, сортамент металлопроката, кабельные конструкции, консоли, эстакады, стены, колонны, фундаменты, бетонные и металлические ограждения).

Обновление базы данных через Интернет

Базы данных оборудования, изделий и материалов регулярно обновляются. Каждый легальный пользователь Model Studio CS может активировать доступ к web-серверу и таким образом получить доступ ко всем элементам базы.

Интеграция с документооборотом

Model Studio CS — это решение без промежуточных файлов, без непонятных и вредных для комплексного проектирования промежуточных транспортных форматов, поэтому интеграция с системами документооборота происходит быстро и просто.

Интероперабельность с любыми BIM-моделями

Model Studio CS имеет встроенные средства импорта и экспорта данных:
  • качественный и надежный импорт/экспорт BIM-моделей из других систем на базе формата IFC;
  • совместимость с любыми моделями в формате DWG;
  • прямая публикация BIM-моделей из Autodesk Revit, Autodesk Inventor, Autodesk Navisworks, Renga в центральную базу данных проекта CAD;
  • импорт из Intergraph Smart3D через SAT и CSV;
  • импорт из AVEVA PDMS через RVM и ATT;
  • импорт данных из CREDO Геология (XPG), ЛИРА, SCAD, СТАРТ, CPipe;
  • другое ПО…

Поддержка формата IFC

Model Studio CS имеет встроенные средства для поддержки файлов формата IFC:
  • гибкая настройка профилей экспорта для передачи BIM-модели Model Studio CS в формат IFC;
  • универсальная настройка профилей экспорта BIM-моделей из IFC в Model Studio CS;
  • интерфейс пользователя для отображения объектной структуры файла IFC и сопоставляемые параметры модели Model Studio CS;
  • мэппинг параметров BIM-модели Model Studio CS при экспорте в IFC;
  • функционал передачи твердотельной параметрической графики объектов BIM-модели Model Studio CS в графическое представление IFC;
  • поддержка сохранения иерархической структуры проекта BIM-модели Model Studio CS в иерархическую структуру IFC;
  • поддержка импорта и экспорта BIM-моделей в формате IFC 2×3, IFC4.

Легкий переход с 2D на 3D проектирование

Уникальные средства быстрого перехода от двумерного представления к трехмерному позволяют выполнять проект на привычном плоском плане (2D), переключаясь в трехмерный вид (3D) одним нажатием кнопки. Эта функция особенно полезна тем, кто только недавно начал осваивать трехмерное проектирование и пока испытывает трудности восприятия 3D.

Полноценное решение

Рабочее место, где установлена программа, уже оснащено всем необходимым для проектирования: средствами трехмерного моделирования, проверки коллизий, подготовки расчетной модели, генерации чертежей и спецификаций, а также инструментами автоматического образмеривания, простановки позиций и надписывания. Все это входит в стоимость программы.

Используйте на всех стадиях

Быстрые алгоритмы, сверхскоростные возможности расчета и оформления, работа с планом идеально подходят для ранних стадий проекта, когда остается еще много неопределенностей — например, при подготовке к тендерам с использованием приблизительного рельефа, при проектировании «с колес», когда от заказчика поступает множество изменений. Другие программные средства таких возможностей не предоставляют.

Model Studio CS лучше зарубежных аналогов

В Model Studio CS всё на русском языке — и интерфейс, и комплект документации. Техническая поддержка предоставляется российскими специалистами, ранее работавшими инженерами в проектных организациях.
Библиотека оборудования, изделий и материалов включает продукцию ведущих предприятий России, Украины, Беларуси, а также многих всемирно известных производителей.
Стоимость Model Studio CS много ниже стоимости зарубежных аналогов, при этом его возможности шире, а функционал проработан лучше.

Стоимость


ЛицензииЛокальнаяСетевая
Право на использование программного обеспечения 
Model Studio CS Электротехнические схемы 3.0 (3.x, постоянные лицензии) *
105 300 ₽105 300 ₽
Право на использование программного обеспечения 
Model Studio CS Электротехнические схемы 3.0 (3.x, 3 месяца) 
18 200 ₽18 200 ₽
Право на использование программного обеспечения 
Model Studio CS Электротехнические схемы 3.0 (3.x, 1 год) 
63 000 ₽63 000 ₽
Право на использование программного обеспечения 
Model Studio CS Электротехнические схемы 3.0 (3.x, 2 года) 
100 000 ₽100 000 ₽

Обязательно приобретение подписки на обновления


Подписки на обновленияЛокальнаяСетевая
Право на использование программного обеспечения Model Studio CS Электротехнические схемы 3.0 (Subscription (1 год))
26 400 ₽26 400 ₽
Право на использование программного обеспечения Model Studio CS Электротехнические схемы 3.0 (Subscription (2 года))
47 400 ₽47 400 ₽
Право на использование программного обеспечения Model Studio CS Электротехнические схемы 3.0 (Subscription (3 года))63 000 ₽63 000 ₽
Право на использование программного обеспечения Model Studio CS Электротехнические схемы 3.0 (Subscription Recovery (за 1 месяц)) 
2 200 ₽2 200 ₽

Получить КП

Технические требования

Программное обеспечение

Графическая CAD-платформа:

  • nanoCAD Plus 21 (с модулем «3D»);
  • платформа nanoCAD 22-24 (с модулем «3D»);
СУБД (опционально):
  • PostgreSQL от 12 до 16 с кодировкой по умолчанию ru_RU.UTF-8 для ОС Linux и кодировкой Russian_Russian.1251 для ОС Windows;
  • SQL Server не ниже 2017 версии, SQL Server Express не ниже 2017 версии.
  • Менеджер библиотеки стандартных компонентов CADLib.exe (приложение для работы с базой данных Model Studio CS, поставляется вместе с Model Studio CS, не требует лицензирования).
Операционная система:
  • Отечественная операционная система Astra Linux (релиз «Орёл») 2.12.22 64-bit;
  • Windows 8.1, 10, 11 64-bit.

Аппаратное обеспечение

  • Процессор Intel Core i5 или core i7 (рекомендуется 8 физических ядер).
  • Монитор 1024x768 True Color.
  • Видеокарта с обязательной поддержкой DirectX 11-12 и Vulkan 1.3. Видеопамять: минимум 2 Гб, рекомендуется 8 Гб и выше. Рекомендуются игровые карты производства NVIDIA (рекомендуется GeForce RTX 4060).
  • Мышь или другие устройства указания, поддерживаемые операционной системой.
  • Оперативная память: рекомендовано минимум 24 Гб, оптимально 64 Гб и более.
  • Свободное место на жестком диске - 6 Гб (минимум). Тип жесткого диска - SSD (рекомендуется), HDD.

Выбирайте MaxSoft

Проверено временем

С 1991 года компания ООО "Макссофт-24" помогает своим клиентам с поставкой, внедрением и сопровождением ПО самого разного функционального назначения: САПР, офисное ПО, антивирусы, решения для ИБ и др.

Всегда на связи с разработчиками

Мы являемся партнером-экспертом компании АО "СиСофт Девелопмент", что подтверждает высокий уровень экспертизы по продуктам. Мы всегда находимся с разработчиком в прямом контакте для оперативного и компетентного решения Ваших задач.

Качественная поддержка

Наша команда аттестованных инженеров и преподавателей поможет Вам разобраться с любым вопросом о программных продуктах через личные встречи и онлайн-презентации, а также будет сопровождать на всех этапах внедрения.

Проверено временем

С 1991 года компания ООО "Макссофт-24" помогает своим клиентам с поставкой, внедрением и сопровождением ПО самого разного функционального назначения: САПР, офисное ПО, антивирусы, решения для ИБ и др.

Всегда на связи с разработчиками

Мы являемся партнером-экспертом компании АО "СиСофт Девелопмент", что подтверждает высокий уровень экспертизы по продуктам. Мы всегда находимся с разработчиком в прямом контакте для оперативного и компетентного решения Ваших задач.

Качественная поддержка

Наша команда аттестованных инженеров и преподавателей поможет Вам разобраться с любым вопросом о программных продуктах через личные встречи и онлайн-презентации, а также будет сопровождать на всех этапах внедрения.

Учебная лицензия для студентов и образовательных организаций. Подробнее

ОСТАВИТЬ ЗАЯВКУ

CRM-форма появится здесь

Контакты


Следите за событиями в социальных сетях